

技术参数
1.1 | 交流输入相数 | R三相 |
1.2 | 交流输入线制 | RA,B,C,N G |
1.3 | 交流输入额定电压 | R380V *220V *380V *415V *480V *其他 |
1.4 | 交流输入频率 | 50Hz |
2.直流输出 | ||
2.1 | 额定直流输出 | 3500A15V |
2.2 | 输出模式及调节范围 | 恒流0-100%额定值 |
恒压0-100%额定值 | ||
2.3 | 稳定精度 | ≤1% |
2.4 | 效率(满载) | 》100% |
3. 主要特性 | ||
3.1 | 应用 | 电镀 |
3.2 | 控制方式 | 恒流/恒压(可在线切换) |
3.3 | 冷却方式 | 水冷 |
3.4 | 工作模式 | 持续工作 |
3.5 | 功率因素(满载) | ≥0.93 |
3.6 | IP 等级 | IP54 |
3.7 | 绝缘等级 | B |
3.8 | 报警类型 | 声光报警 |
3.9 | 定时器 | 有 |
3.10 | 安培器 | 有 |
3.11 | 远控接口 | R4-20mA及干节点 |
3.12 | 触摸屏 | R有 |
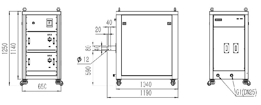
外形尺寸

交流电源连接

安装环境
Ø 交流360-440V,3500A 15V,三相不平衡度小于5%,符合国家电力质量标准。
Ø 环境温度:0℃~+40℃;
Ø 环境相对湿度:≤90%(相对于20±50C);
Ø 环境无腐蚀性,不允许有强酸、强碱及各种溶液,否则会影响电源的寿命;
Ø 海拔:≤2000米;
Ø 空气中不得有过量尘埃、爆炸性气体;
Ø 垂直安装倾斜度:≤5%;
Ø 地震烈度:≤7度(里氏);
Ø 饱和蒸汽压:日平均值不大于2.2×10-3MPa,月平均值不大于1.8×10-3MPa。
电镀案例
