
三相全控桥和双反星整流电路是可控硅整流器常用的两种整流方式,今天我们分析下何为可控硅整流器三相桥和双反星整流电路。
一、三相桥式全控整流电路
电路形式

1.1 工作原理
(1)α=0o
负载端要有输出电压,必须共阴极和共阳极组各有一晶闸管导通,对共阴极组,其输出电压波形是三相相电源波形的正半周包络线。对共阳极组,其输出电压波形是三相相电源波形的负半周包络线。在三相线电压波形上是正半部分包络线。

(2)α〉0o时
下图为α=30o、α=60o、α=90o波形

波形说明:
α≤60o时,ud波形均为正值;60o<α<90o时,由于Ld作用, ud波形出现负值,α=90o时,正负面积相等, ud =0。
1.1 数量关系:





1.1 结论
(1)移相范围0o~90o
(2)α≤60o时,负载端电压连续。
(3)负载端电压为线电压。
(4)对触发脉冲要求:
三相桥式全控整流电路在任何时刻必须保证两个晶闸管同时导通才能形成回路,为保证整流装置能启动工作,或在电流断续后能再次导通,必须对两组中应该导通的一对晶闸管同时加触发脉冲。一种是宽脉冲,一种是双窄脉冲。
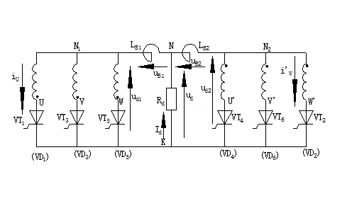
二、带平衡电抗器的双反星可控整流电路
2.1 概述
平衡电抗器:一个带中心抽头的铁心线圈,抽头两侧的匝数相等,两边电感量相等,在任一边线圈中有交变电流流过时,两边均会有大小相同、方向一致的感应电动势产生。
双反星形变压器:整流变压器具有两组二次绕组,且都接成星形,但两绕组接到晶闸管同名端相反,画出电压矢量图是两个相反的星形。
2.1 线路形式


2.3 平衡电抗器的作用:
带平衡电抗器的双反星可控整流电路平衡电抗器的作用使流过整流元件与变压器二次电流的波形系数降低,再输出同样直流电流时,可使二极管或晶闸管的额定电流减小并提高变压器的利用率,在大电流输出时,晶闸管可少并联或不并联。
2.4 工作原理:
(1)阻性负载:
l α≤60o时,波形连续,

α〉60o时,波形断续,

l α移相范围为120o。

带平衡电抗器的双反星形可控整流电路阻性负载 波形(α=30o时,α=60o时)
(2)感性负载:
l α≤60o时,波形不出现负电压,同阻性负载。

l 60o<α<90o时, 波形出现负电压. 。

l α=90o时, Ud≈0。

双反星形带平衡电抗器可控整流电路感性负载α=90o波形
2.5 带平衡电抗器的双反星形可控整流电路特点:
(1) 双反星形电路是两组三相半波整流电路的并联,输出整流电压波形与六相半波整流时一样,所以脉动情况比三相半波整流小得多。
(2) 由于同时有两相导通,整流变压器磁路平衡,不像三相半波整流,存在直流磁化的问题 。
(3) 与六相半波整流相比,整流变压器二资助绕组利用率提高了一倍,所以在输出同样的直流电流时,变压器的容量比六相半波整流时要小。
(4) 每一整流元件承担负载电流的一半,导电时间比三相半波整流时增加了一倍,提高了整流元件承受负载的能力。
三、三相桥和双反星带平衡电抗器电路的选择
根据整流器的具体参数,如输出电压、电流、功率、脉波数、冷却方式等综合因素来选择采用何种电路形式,使得整流系统优化,性价比高。
d88尊龙官方网可提供关于可控硅整流柜的技术咨询,欢迎垂询:alice@intellipower.com.cn。
上一条: 可控硅整流柜如何实现整流调压的?
下一条: 电解水制氢整流器工作原理