
一、大功率开关电源的发展历程
20世纪80年代以前,作为线性稳压电源的更新换代产品,开关电源主要用于小功率场合,那时,中大功率直流电源仍然以晶闸管相控整流为主。
20世纪80年代起,绝缘栅晶体管IGBT(Insulated Gate Bipolar Transistor)的出现打破了这一格局,与传统的晶闸管相控整流相比,频率更高,更易于驱动,具有突出的优点。
开关频率的提高可以使电源体积减小、重量减轻,但使得开关损耗增大,电源效率降低。为了解决这一问题,20世纪80年代,出现了准谐振技术的零电压开关电路和零电流开关电路,这种技术成为软开关技术。采用软开关技术,在理想情况下,可使得开关损耗为零,提高效率,使得电源进一步向体积小、重量轻、效率高、功率密度大的方向发展。
如今,大功率开关电源已广泛应用于工业自动化控制、军工设备、科研设备、工控设备、通讯设备、电力设备、仪器仪表、医疗设备、半导体制冷制热等领域。
二、大功率高频开关电源与传统可控硅整流电源的对比
名称 | 传统整流电源 | 常规开关电源 | 采用软开关高频开关电源 |
整流变压器 | 有 | 无 | 无 |
高频变压器 | 无 | 铁氧体 | 超微晶 |
功率元件 | 晶闸管 | IGBT | IGBT |
控制方式 | 移相触发 | PWM调制 | PWM调制 |
工作频率 | 50Hz | 10~20KHz | 10~25KHz |
稳压精度 | <5% | <1% | <1% |
稳流精度 | <5% | <1% | <1% |
噪音 | 一般 | 一般 | 很小 |
典型工作效率 | <80%(低电压输出) | >86% | >91% |
功率因数 | ≤0.9(未加补偿) | ≥0.93 | ≥0.96 |
体积 | 大 | 较小 | 较小 |
重量 | 重 | 一般 | 较轻 |
三、大功率高频开关电源的使用场合
大功率高频开关电源随着技术的成熟和可靠性的提高,由于其效率高、体积小、功率因数高、模块化、性价比高等优点,已广泛应用在中大功率场合,尤其是在低电压、功率在500kW以内的应用,如电镀、阳极氧化、电解抛光、电解氟化氢制取氟气等应用要求的直流输出电压较低,通常在20V以内,采用高频开关电源的转换效率更高、更加省电,因此得到用户的青睐。另外,大功率开关电源也广泛应用在中小功率的负载,如水处理、电解水制氢、电解海水、电解盐水、蓄电池充电等,其性价比比可控硅电源高。
d88尊龙官方网公司持续致力于大功率高频开关电源的研发、制造、应用,博士、硕士技术团队,拥有超过15年的开发经验,对开关电源理解透彻、技术成熟、可靠性高、输出精度高,并通过了欧洲CE和美国UL认证,为国内外用户已提供10000台以上的IGBT大功率高频开关电源,出口到50多个国家,并与多家世界五百强企业合作。
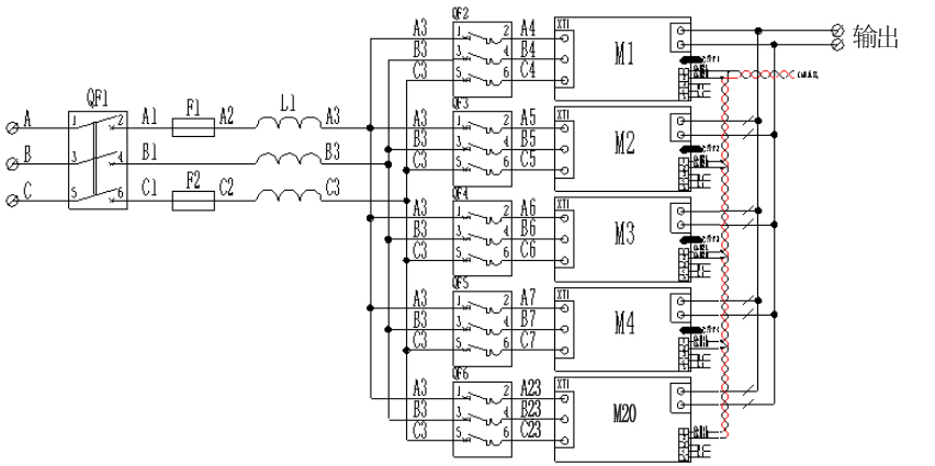
四、大功率高频开关电源的工作原理
大功率高频开关电源的硬件电路主要由两部分组成:主电路和控制电路。其中主电路主要包括:整流电路、雷击浪涌及滤波电路、全桥高频逆变电路、超微晶高频变压器、次级全波整流电路等。
功率电路单元采用高频PWM变换技术,采用软开关技术,实现直流输出。控制部分以高性能数字信号处理器DSP为核心,以LCD触摸屏作为HMI人机交互接口,实时显示电源运行参数。



注释:本网站的资料仅供您浏览和参考之用, 如有数据或者内容不准确可以随时与我们取得联系,我们会尽快改正或删除。
上一条: 大功率高频开关电源高频变压器